欢迎光临浙江许高电力科技有限公司

全国服务热线:13868746508
上一张 下一张
 ZW43A-12高压真空断路器

ZW43A-12高压真空断路器

ZW43A- -12型户外高压真空断路器产品概述

ZW43A- -12型户外高压真空断路器为额定电压12kV、三相交流50Hz的户外高压开关设备主要用于开断、关合电力系统的负载电流、过载电流及短路电流。

适用于变电站、工矿企业及城乡配电网作保护和控制,特别适用于操作频繁的场所和城网自动化配电网络。

ZW43A- -12型户外高压真空断路器型号含义

ZW43A- -12型户外高压真空断路器产品特点

真空灭弧室采用固封技术,体积小,寿命长,可靠性高,屏蔽罩外露;封装在环氧树脂内,耐气候性好,便于运输;操作机构可靠性的双稳态永磁技术,结构简单,无需维护保养,机械寿命可高达30000;环氧树脂封装:符合要求;

已被广泛验证的户外性能;耐臭氧和紫外线;坚固、轻、不易碎裂;永磁机构:运动部件少;无领维护保养;应用双稳态永磁技术;采用真空灭弧,固体绝缘,体积小,重量轻,开断容量大,绝缘水平高;

手动分闸装置:当控制系统出现故障时,可用手动分闸作紧急分断操作,可靠开断额定负荷电流位置检测器;接近开关装于联动轴上,不需机械元件,简单可靠检测开关的分合位置;开关外壳采用不锈钢或喷塑处理。

耐腐蚀性、耐气候性好;可外加隔离开关,形成可见断口并可靠联锁,组成组合电器;可与控制器配套实现遥控、遇测、遗信、遥调“四遥”功能。

ZW43A- -12型户外高压真空断路器主要技术参数

单位

额定电压

kV

12

额定频率

Hz

50

额定电流

A

630

额定短路开断电流

kA

20

额定峰值耐受电流(峰值)

kA

50

额定短路耐受电流/持续时间

kA/s

20/4

额定短路关合电流(峰值)

kA

50

额定操作顺序

-0.3s-合分-180s-合分

机械寿命

10000

额定电流开断次数

10000

额定短路开断电流开断次数

30

工频耐压(1min): (湿)相间对地 ()相间、对地/断口

kV

34 42/49

雷电冲击耐受电压(峰值)相间、对地/断口

kV

75/85

二次回路1min工频耐压

V

2000





















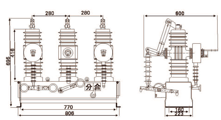
ZW43A- -12型户外高压真空断路器外形安装尺寸

相关推荐