ZN23- 40.5型真空断路器产品概述
ZN23- 40.5型真空断路器为额定电压40.5kV,三相交流50Hz的户内高压电器设备,适用于工矿企业,变电站等输配电系统,作控制和保护开关,尤其适用于冶金、电弧炼钢等需频繁操作的行业,作为控制和保护设备。
ZN23-40.5户内高压真空断路器使用环境
1、周围空气温度:上限+40℃,下限-10℃,高寒地区-25℃;
2、海拔:1000m;
3、相对湿度:日平均值不大于95%;月平均不大于90%;(+25℃);饱和蒸汽压:日平均不大于2.2×10-3MPa,月平均不大于1.8×10-3MPa
4、振福:地震烈度不超过8度;
5、不适用于易燃、爆炸危险、化学腐蚀及剧烈震动的场所。
ZN23-40.5户内高压真空断路器技术参数
|
序号
|
项目
|
单位
|
参数
|
|
1
|
额定电压
|
kV
|
40.5
|
|
2
|
额定电流
|
A
|
1250 1600 2000
|
|
3
|
额定短路开断电流
|
kA
|
25 31.5
|
|
4
|
动稳定电流(峰值)
|
kA
|
63 80
|
|
5
|
4s热稳定电流
|
kA
|
25 31.5
|
|
6
|
额定短路关合电流(峰值)
|
kA
|
63 80
|
|
7
|
额定短路电流开断次数
|
次
|
20
|
|
8
|
额定操作顺序
|
|
分-0.3s-合分-180s-合分
|
|
9
|
额定操频率
|
Hz
|
50
|
|
10
|
额定雷电冲击耐受电压(全波)
|
kV
|
185
|
|
11
|
1min 工频耐受电压
|
kV
|
95
|
|
12
|
合闸时间
|
ms
|
≤75
|
|
13
|
分闸时间
|
ms
|
≤60
|
|
14
|
机械寿命
|
次
|
10000
|
|
15
|
额定工作电压
|
V
|
AC DC110 AC DC 220
|
ZN23-40.5户内高压真空断路器主要机械调整参数
|
序号
|
项目
|
单位
|
参数
|
|
1
|
触头开距
|
mm
|
25±3
|
|
2
|
接触行程
|
mm
|
8±2
|
|
3
|
平均合闸速度
|
m/s
|
0.6~0.9
|
|
4
|
平均分闸速度
|
kA
|
1.8~2.2
|
|
5
|
三相分合不同期性
|
ms
|
≤2
|
|
6
|
触头合闸弹跳时间
|
ms
|
≤3
|
|
7
|
油缓冲器缓冲行程
|
mm
|
15±1
|
|
8
|
触头允许磨损累计厚度
|
mm
|
3
|
|
9
|
各相回路电阻
|
μΩ
|
≤50
|
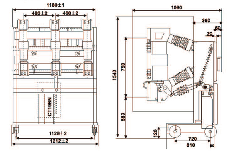
ZN23-40.5户内高压真空断路器外形安装尺寸
|