欢迎光临浙江许高电力科技有限公司

全国服务热线:13868746508
上一张 下一张
行业资讯

真空断路器的板前板后插入式抽屉式四种接线方法

发布时间:2018-09-10 浏览次数:4214

真空断路器的接线方式主要分为板前接线、板后接线、插入式接线、抽屉式接线这四种接线方式。

一、真空断路器板前接线方法:

板前接线方式为断路器的默认接线方式,如采用板前接线方式,无需做说明。用户可在断路器安装于成套设备之前,即在断路器基座的连接板上直接连接电源线及负载线,用螺钉紧固的接线。

二、真空断路器板后接线方式:

板后接线是指在断路器安装于成套设备内时,在断路器基座上的连接板通过安装板的螺栓上接电源线和负载线。


其大的特点是可以在更换或维修断路器时,不必重新接线,只须将前级电源断开。由于该结构特殊,产品出厂时已按设计要求配置了安装板和安装螺钉及接线螺钉。


需要特别注意的是,由于大容量断路器接触的可靠性将直接影响断路器的正常使用,因此安装时必须引起重视,严格按制造厂要求进行安装。


三、真空断路器插入式接线:

插入式接线是指在成套设备的安装板上,先行安装一个带六个插座安装座,与断路器的连接板上的6个插座配套使用。


安装座的面上有连接板或安装座后面有螺栓,安装座预先接上电源和负载线。使用时,用户可将断路器直接插入安装座进行使用。


如断路器损坏,仅需拔出更换即可。其更换时间比板前、板后接线要短,且方便。但由于插入式接线断路器的插、拔需要一定的人力,因此目前插入式产品,壳架电流为400A。

四、真空断路器抽屉式接线:

抽屉式接线一般用于万能式断路器的安装,断路器的进出抽屉由摇杆顺时或逆时转动完成,在主回路和二次回路中均采用插入式结构,省略了固定式安装所必须的隔离器,可做到一机二用,提高使用的经济性,在增加安全性和可靠性的同时,也给操作及维护带来极大方便。


万能式断路器可采用板前(垂直)、板后(水平)接线这两种固定式接线方式,也可采用抽屉式接线方式。

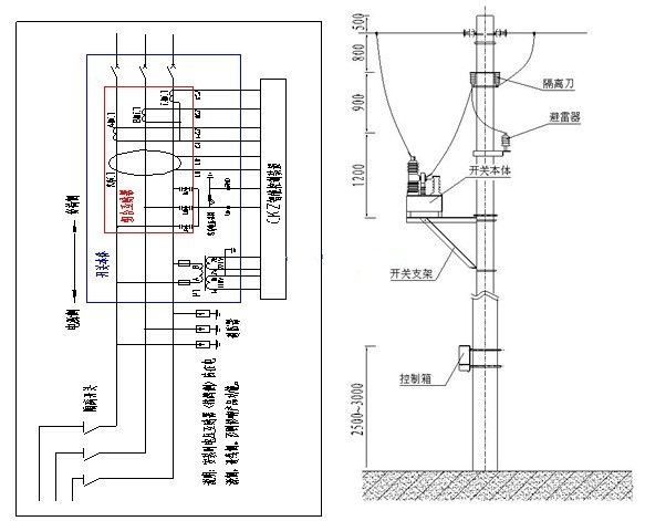
高压真空断路器接线图:

新一篇:真空断路器安装要求
旧一篇:真空断路器分合闸的工作过程