欢迎光临浙江许高电力科技有限公司

全国服务热线:13868746508
上一张 下一张
公司新闻

LW3-12高压六氟硫断路器

发布时间:2019-05-08 浏览次数:2198

LW3-12高压六氟化硫断路器

LW3-12高压六氟化硫断路器概述

    LW3-121 II I型户外高压六氟硫断路器(以下简称“IIII型断路器”)是以六氟化硫气体作为灭弧和绝缘介质的新型户外高压电器。


    其灭弧室采用自能旋弧灭弧原理,操动机构分(1型)手动储能弹簧操动机构。( II 型)电动机储能弹簧操动机构,( 川型)直流电磁操动机构叁种,各种操动机构均与断路器本体完善地组合成一个整体。

LW3-12高压六氟化硫断路器使用环境

环境温度:上限+40C,下限-40C海拔高度不超过1 000m
风压不超过700Pa(风速不大于35m/s )地震烈度不超过8度
没有火灾、爆炸危险、严重污秽、化学腐蚀及剧烈振动的场所。

LW3-12高压六氟化硫断路器主要技术参数


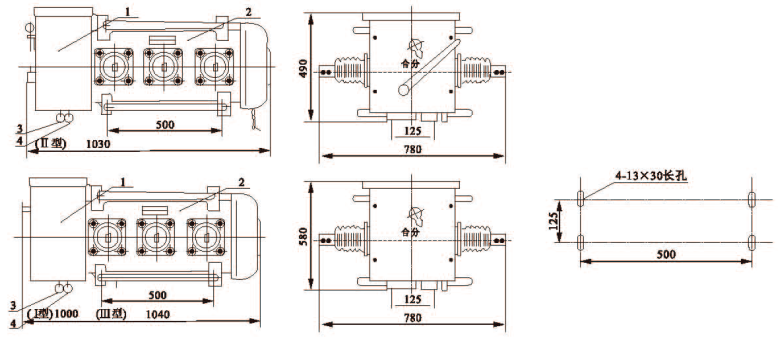
LW3-12高压六氟化硫断路器外形安装尺寸

新一篇:VS1真空断路器标准
旧一篇:柱上高压智能真空断路器