欢迎光临浙江许高电力科技有限公司
了解更多
乐清市象阳镇万里桥工业区 手机:13868746508 网站:www.xugaokj.com
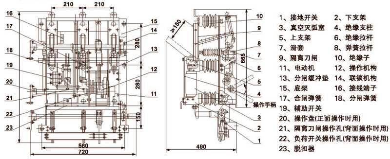
FZ(R)N16A-12高压真空负荷开关(熔断器组合电器)外形安装尺寸